Lahti campus: Update on Water Leak Situation in M19 Building's C2 Floor
16.10.2025 (publishing time)
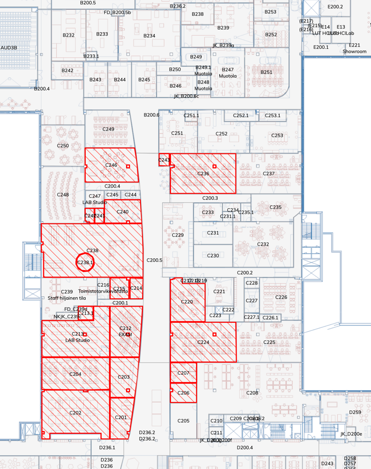
Update on the Water Damage Situation in Corridor M19_C2 – 15th of October 2025
The contractor has completed rooms C201, C202, C204, C206, C207, C214, and C215. Next, the staff room C238 will be completed, and the corridor repairs will be finalized during week 38.
Meeting rooms C214 and C215 are also available for student use. While only staff members have booking rights, students may use the rooms when they are not reserved.
An up-to-date list of meeting rooms accessible to students can be found on the reservable spaces page on eLAB.
If you have any questions or need additional information, please contact Facility Services at: tilapalvelut.lahti@lut.fi
